Fusible britannique BS88 FMM MMT 690V AC / 160A-710A
China Aidun Electric produit le fusible britannique BS88 FMM MMT 690V AC / 160A-710A de la marque «Solarson» conformément à la norme CEI 60269-4, BS88-4.
Données techniques
- Intensité nominale : 160 A, 180 A, 200 A, 225 A, 250 A, 280 A, 315 A, 355 A, 400 A, 450 A, 500 A, 560 A, 630 A, 710 A
- Tension nominale : 690 V CA
- Pouvoir de coupure : 200kA
- Classe : aR/gR
- Norme : IEC60296-4 BS88-4.
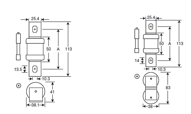
| Non. | Type de produit | Numéro de pièce du concurrent | Tension nominale (V) | Courant nominal(A) | Dimension hors tout (mm) |
| 183861 | MF | MF | 690 | 180-350 | Voir le dessin ci-dessous |
| 183862 | MT | MT | 690 | 160-355 | |
| 183863 | FMM | FMM | 690 | 400-700 | |
| 183864 | MMT | MMT | 690 | 180-710 |
Dimension:
